Мини проект в Мытищах
Привет мои дорогие. Закончила проект, как вы видите, он мини, здесь, вместо привычной сердцу 3 D визуализации - коллажи. Это также информативно и очень доходчиво и более экономично.
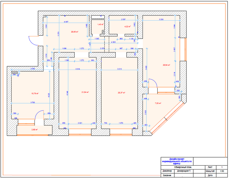
В квартире проживает молодая пара с 3-мя детьми, отличительной особенность является то, что гостиная в привычном нам виде отсутствует. Стены почти все несущие, поэтому только в коридоре получилась перепланировка.
Схема обмера

Схема расстановки и сантехнического оборудования

В ванной и санузле плитка одинаковая, это не ново, довольно часто используют такой прием.

Детская для мальчиков

Спальня родителей

Комната для дочери, она же является местом сбора всей семьи для общения и просмотра ТВ. На балконе расположился кабинет для главы семьи.


Кухня

Если есть вопросы, задавайте, если нет, наслаждайтесь, хотя конечно понравится может и не всем.

