Дизайн-проект "Головокружительный"
Авторские проекты дизайнеров.(Посты не по теме будут удаляться!)Добрый день!
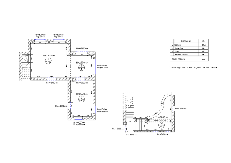
Сейчас работаем над потрясающим проектом. Дом, общей площадью около 200м2. В разработке сейчас кухня, гостиная и столовая, площадью 90м2.
Проект интересен тем, что здесь есть второй свет и огромные окна в гостиной. Действительно, размах кружит голову.
Хозяин начал строить дом еще 10 лет назад. Для него важно было создать нечто грандиозное и монументальное для своей будущей семьи. Сейчас у него жена и маленькая дочка. Можно сказать, это своего рода зарождение родового гнезда для многих поколений, будем надеяться. Здесь каждая деталь, начиная с фундамента и заканчивая рамками для фото, подобрана с ювелирной точностью.
Стиль - современная классика, с элементами прованса, модерна и лофта.
Обмерочный чертеж

План расстановки мебели

1. 
2.
3.
4.
5.

6.
7.
8.
9.
8-905-767-13-32 (можно в wats app)
Почта: ananasdesign1@gmail.com
Сайт:
Инстаграм:
Фейсбук: