Необходимо доработать проект дома
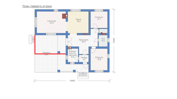
Привет! Мы начали строительство дома дя ПМЖ. На данный момент готов фундамент и залита плита. По проекту дом одноэтажный, но наши планы поменялись и теперь мы хотим два этажа.. Соответсвенно необходимо доработать уже имеющийся проект.. Фундамент выдержит, т.к. делали с запасом. Есть ли желающие поработать над этим? Стоимость можно обсудить в личке. План первого этажа прилагаю.
Aнастасия @archi.larionova
Глубина заложения фундамента, вид фундамента, материал, и как заармировали (расположение, диаметр, шаг)?
13.12.2012
Ответить
Maria
добрый день, фундамент свайно-ленточный, сваи врыты на глубину 1.80 м в 40 сантиметровую ленту, шаг через 1 метр, диаметр 30 см, материал - бетон 500 на сколько я помню.. спасибо!
13.12.2012
Ответить
Aнастасия @archi.larionova
эммм))) что-то не сходится) Надо уточнить, чтобы понять, выдержит ли фундамент второй этаж.
1. По описанию фундамент похож скорее на столбчатый. Если свайный, то сваи тогда были бы буронабивные (т.к. глубина заложения маленькая для других) . Какой у вас?
2. Материал стен? Лучше бы это была облегченная конструкция.
3. Какой грунт?
13.12.2012
Ответить
Maria
грунт - суглинок, материал стен газобетонные блоки, фундамент свайно-ленточный, залитый сверху бетонной плитой. Сейчас пишу с телефона, а с него не могу вложения сделать. Завтра могу выслать фото и более подробную информацию.. Если возможно на почту скину. Вот пока ссылка на наш проект http://www.plans.ru/project.php?rs&id=1753
13.12.2012
Ответить
Aнастасия @archi.larionova
На самом деле и такого определения не существует, т.к. у любого свайного фундамента есть ростверк. Поэтому свайный фундамент всегда просто свайный. Отличается только по материалу и способу погружения.
А фундамент именно этого поста - столбчатый. Оказалось, что в простонародье его называют свайно-ленточным...Даже много статей в интернете написано...Но это обычный столбчатый фундамент. И он проектируется под дома легких конструкций + на тех грунтах, где надо максимально возможно исключить действие сил пучения.
Воть)
18.12.2012
Ответить
Maria
Наверное действительно так называют .. Опишу конструкцию точнее: Сваи - это столбики из арматуры, углублены на 180 см. диаметр 30 см., высота ленты 30 см., ширина 40 см. Все накрыто бетонной плитой 20 см.
Моё мнение данная конструкция далеко не для домов легких конструкций, даже консультировались со специалистами, когда выбирали тип фундамента, нас заверяли, что под наш дом это даже с запасом
19.12.2012
Ответить
Aнастасия @archi.larionova
по конструкции как столбчатый монолитный. Только про верхнюю плиту немного не понимаю. Она как часть фундамента или будет служить основанием для пола.
19.12.2012
Ответить
Aнастасия @archi.larionova
Эх))) Трудно все на пальцах))) Сложно судить о готовом фундаменте не видя хотя бы разреза конструкции) Главное, чтобы надежный был!)
19.12.2012
Ответить
Maria
да, тем более я в этом не специалист и к сожалению не могу грамотно объяснить что, как и зачем..
19.12.2012
Ответить
