Посоветуйте с перепланировкой из двушки в трешку
Интерьерное решение жилых помещений.приобрели квартиру в ЖК Москва а101. Теперь предстоят муки выбора перепланировки. Как с минимальными затратами на оформление сделать квартирку удобной для нас с мужем и двух девочек.

Аня
Хорошая квартира, и кладовке есть, и коридор удобный, и кухня большая, чего выдумывать-то, живите и радуйтесь :-)
02.09.2018
Ответить
Вера
А что тут переделывать? Одна комната - спальня, вторая - детская, на кухне диван поставите и ТВ повесите. Вы бы хоть написали, в чем собственно муки состоят, чем Вам имеющийся вариант не подходит.
02.09.2018
Ответить
Оксана (дизайнер, инста: @persona_story)
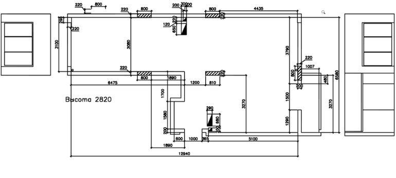
Кухню сделайте двусторонней. Будет ещё и гостиная большая. На месте гардеробной сделайте второй с/у (без унитаза). Есть шансы, что узаконят.
Трешку официально не сделаете. По площадям и окнам не проходите.
02.09.2018
Ответить
Rinika
А что именно вы менять собираетесь?
Хорошая планировка: площадь кухни позволяет зону гостиной выделить, оставшиеся комнаты можно на спальню и детскую поделить. Ничего лучше все равно не получится, окон-то всего три.
Единственное, что лично мне не нравится - совмещенный санузел, в семье из 4 человек туда вечная очередь будет.
02.09.2018
Ответить
Анна
По-моему, у вас все отлично - по крайне мере, соответствует вашему запросу. Мне кажется, вам не нужна перепланировка. Спальня, детская, кухня-гостиная с лоджией, которую также можно утеплить и использовать, как расширение кухни-гостиной. Кладовка и место для встроенного шкафа вообще супер.
02.09.2018
Ответить
Даххха ХочуРодитьДочку
Я бы кухню уменьшила,стенку пододвинула....и на метр-два увеличила бы комнату.ну и дверь перенесла на кухне немного вправо.
02.09.2018
Ответить
Анна
Недостаточно окон, чтобы переделать в трешку. Сделайте кухню-гостинную, если есть возможность объедините с балконом, а комнаты оставьте как есть.
02.09.2018
Ответить
Оставшиеся комментарии доступны после регистрации
Зарегистрируйтесь и получите полный доступ ко всем функциям сайта.